Приборы для измерения давлений и температур
Мановакуумметр. Применявшиеся несколько лет назад для контроля работы силовой установки манометрические приборы почти полностью вышли из употребления, поэтому на них мы останавливаться не будем.
Единственным манометрическим прибором, распространенным в настоящее время, является мановакуумметр — прибор для измерения давления горючей смеси во всасывающем патрубке двигателя. Этот прибор применяется в двигателях с наддувом, где для сохранения определенного состава горючей смеси, независимо от высоты полета, осуществляется принудительная подача воздуха (наддув).
Схема включения мановакуумметра приведена на фиг. 25, а кинематическая схема дифференциального мановакуумметра на фиг. 26.

Фиг. 25. Схема включения мановаккумметра. 1 – поплавковая камера карбюратора; 2- нагнетатель; 3 – мановакуумметр

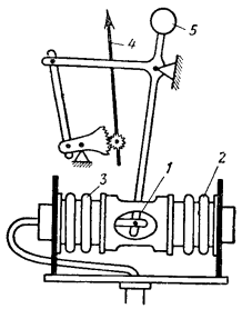
Фиг. 26. Кинематическая схема дифференциального мановакуумметра: 1 – пустотелый цилиндр 2 и 3 – сильфоны, 4 – стрелка прибора; 5 противовес
Чувствительный элемент мановакуумметров состоит из двух сильфонов 2 и 3, жестко связанных пустотелым цилиндром 1. Из сильфона 2 воздух откачан, а сильфон 3 соединен со всасывающим патрубком двигателя.
Жесткий центр сильфона 3 по мере изменения поступающего в него давления р перемещается под влиянием разности давлений р-рн. Движение жесткого центра передается с помощью передаточного механизма стрелке 4 прибора.
Пока атмосферное давление рп не меняется, сильфон 2 не деформируется, и работает только сильфон 3. По мере изменения атмосферного давления меняется величина усилия, действующего на сильфон 3 извне, и чувствительный элемент деформируется.
Погрешности в показаниях прибора не будет, так как благодаря изменению атмосферного давления и давления в корпусе прибора Деформируется также и сильфон 2, компенсируя деформацию сильфона 3. Для балансировки прибора служит противовес 5.
Погрешности мановакуумметра. Вследствие изменения упругости чувствительных элементов под влиянием окружающей температуры у прибора появляется так называемая инструментальная температурная погрешность. Для ее уничтожения предусмотрена биметаллическая температурная компенсация, устройство которой рассмотрено при описании манометрических навигационно-пилотажных приборов (см. гл. IV § 1).
Иногда в авиации пользуются приборами с чувствительным элементом в виде гофрированной коробки. Конструкция прибора аналогична конструкции высотомера, описание которого приведено в § 1 главы IV.
В авиации для измерения давлений и температур широко применяются электромеханические комбинированные приборы.
Основными преимуществами их являются простота конструкции, удобство монтажа, надежность и компактность.
Дата добавления: 2025-02-12; просмотров: 298;











