Системы впрыска дизельного топлива с синхронным созданием давления
Основополагающей характеристикой систем, использующих инжекционно-синхронное создание давления, является индивидуальная подача топлива для каждого цилиндра. В таких механизмах генерация высокого давления и непосредственный впрыск происходят в строгом соответствии с порядком работы двигателя. Данный принцип заложен в основу работы индивидуальных насосов, рядных ТНВД, распределительных насосов и систем насос-форсунка. Дозирование горючего осуществляется при помощи регулирующей кромки или посредством современных электромагнитных клапанов.
Индивидуальные насосные системы с топливопроводами. Индивидуальные системы с механическим управлением, представленные на Рис. 12-29, относятся к числу наиболее старых и проверенных решений для дизелей. Ключевой особенностью конструкции является привод плунжера насоса от специальных кулачков, расположенных на общем распредвале управления клапанами. Такая компоновка ограничивает применение данных систем двигателями с нижним расположением распределительного вала.

Рис. 12-29. Одноплунжерный топливный насос высокого давления с механическим управлением для крупных двигателей: 1 — Нагнетательный клапан; 2 — Вентиляционный винт; 3 — Цилиндр насоса; 4 — Поршень насоса (плунжер); 5 — Регулирующая рейка; 6 — Регулирующая втулка; 7 — Направляющая втулка.
Из-за конструктивных особенностей вставные насосы не подходят для высокооборотистых дизельных двигателей легковых автомобилей с верхним расположением валов. Основная сфера их эксплуатации охватывает малую механизацию, строительную технику, стационарные установки и судовые двигатели. В крупногабаритных силовых агрегатах рабочее давление впрыска может достигать 2000 бар. Для морских судов разработаны специальные версии, способные функционировать на тяжелом топливе и обладающие высокой надежностью.
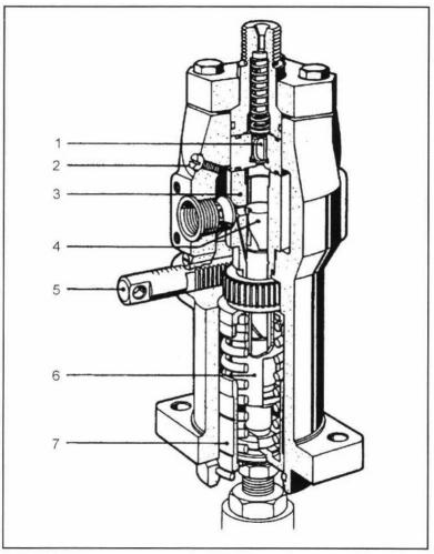
Системы с электронным управлением (UPS и PLN). Эволюция технологий привела к созданию систем с электромагнитным управлением, таких как система «насос-трубопровод-форсунка» (PLN) и Unit Pump System (UPS). Благодаря коротким магистралям высокого давления, эти механизмы обеспечивают гибкую регулировку начала подачи топлива. Это критически важно для коммерческого транспорта и современных грузовых автомобилей, где требуется высокая точность момента впрыска.

Рис. 12-30. Система насос-трубопровод-форсунка (PLN) или индивидуальный насос (UPS) для двигателей коммерческих автомобилей: 1 — Форсунка в сборе; 2 — Нагнетательное соединение; 3 — Линия высокого давления; 4 — Соединитель; 5 — Ограничитель хода; 6 — Игла электромагнитного клапана; 7 — Пластина; 8 — Корпус насоса; 9 — Камера высокого давления; 10 — Плунжер насоса; 11 — Блок двигателя; 12 — Болт роликового толкателя; 13 — Кулачок; 14 — Седло пружины; 15 — Пружина клапана; 16 — Корпус с катушкой; 17 — Якорь; 18 — Промежуточная пластина; 19 — Уплотнение; 20 — Подача топлива (низкое давление); 21 — Обратный слив; 22 — Фиксатор плунжера; 23 — Пружина толкателя; 24 — Корпус толкателя; 25 — Седло пружины; 26 — Роликовый толкатель; 27 — Ролик.
Современные системы UPS (EUP) способны развивать давление до 1800 бар, имея технический потенциал для роста до 2000 бар. Переход от механического управления к электронному позволил адаптировать параметры впрыска под различные нагрузки. Использование электромагнитных клапанов на нагнетательном кулачке обеспечивает максимальную эффективность сгорания топлива. Это делает систему незаменимой для соблюдения строгих экологических стандартов в тяжелом машиностроении.
Рядные топливные насосы высокого давления (ТНВД). В рядных ТНВД элементы насоса (плунжерные пары) сгруппированы в едином корпусе, количество которых соответствует числу цилиндров двигателя. Плунжеры приводятся в движение собственным кулачковым валом насоса, синхронизированным с ГРМ. Дозирование топлива в таких агрегатах выполняется путем вращения плунжера, имеющего косую регулирующую кромку. Это позволяет изменять активный ход нагнетания в зависимости от угла поворота детали относительно перепускного отверстия.
Вращение плунжера осуществляется через регулирующую втулку, которая соединена с подвижной зубчатой рейкой. Положение рейки определяет регулятор частоты вращения, который может быть как чисто механическим, так и электронным. Электронные регуляторы используют электромагнитный актуатор для точного позиционирования рейки. Для оптимизации работы насоса при разных температурах и нагрузках применяются дополнительные модули коррекции подачи.
Для стабильного наполнения системы горючим на рядный ТНВД обычно устанавливается подкачивающий насос низкого давления. Он создает в топливном канале избыточное давление около 3 бар. На выходе из секций высокого давления установлены нагнетательные клапаны, поддерживающие статический подпор в магистралях. Часто в них интегрируют дроссель обратного потока для предотвращения нежелательных вторичных впрысков топлива.
Особенности ТНВД с регулирующей втулкой. Дальнейшим этапом развития рядных насосов стало появление моделей с регулирующей втулкой, представленных на Рис. 12-31. Главное преимущество этой конструкции — возможность изменять предварительный ход плунжера до момента закрытия впускного канала. Это позволяет динамически корректировать начало впрыска независимо от частоты вращения. Малый ход обеспечивает ранний впрыск, в то время как увеличенный ход плунжера смещает момент подачи на более позднее время.

Рис. 12-31. Рядный ТНВД с регулирующей втулкой. Слева: принцип изменения момента начала подачи. Справа: насос с электромагнитными актуаторами: 1 — Гильза насоса; 2 — Регулирующая втулка; 3 — Зубчатая рейка; 4 — Плунжер; 5 — Кулачковый вал; 6 — Актуатор начала подачи; 7 — Вал управления втулками; 8 — Актуатор хода рейки; 9 — Индуктивный датчик хода; 10 — Разъем; 11 — Блокировочный диск.
Эксплуатация насосов с регулирующей втулкой требует использования кулачков с более высоким профилем. Из-за сложности конструкции и наличия двух электромагнитных исполнительных механизмов, такие ТНВД применяются в основном на грузовиках. Традиционные рядные насосы (например, тип M) работают в диапазоне давлений от 550 бар, тогда как продвинутые модели достигают 1350 бар. Однако в современных условиях их всё чаще вытесняют системы с полным электронным управлением клапанами.

Современные требования и тенденции. Повышение экологических норм заставляет инженеров постоянно увеличивать максимальное давление впрыска. Необходимость реализации многократного впрыска за один цикл требует перехода на более быстродействующие компоненты. В связи с этим классические рядные системы постепенно уступают место топливным рампам и системам с прямым управлением электромагнитными клапанами. Это позволяет добиться идеального баланса между мощностью, экономичностью и чистотой выхлопных газов.
Высокая надежность и ремонтопригодность старых систем, таких как blind-hole элементы, по-прежнему востребована в морском секторе. Прочный корпус и защищенные цилиндры позволяют эксплуатировать технику в экстремальных условиях десятилетиями. Тем не менее, для массового автотранспорта гибкость настройки и точность дозирования становятся определяющими факторами. Дальнейшее развитие отрасли направлено на полную интеграцию цифрового контроля в каждый этап подачи топлива.
Сведения об авторах и источниках:
Авторы: Ричард ван Бассхейзен, Фред Шефер
Источник: Руководство по двигателям внутреннего сгорания
Данные публикации будут полезны студентам автотехнических и машиностроительных специальностей, начинающим инженерам-конструкторам в области двигателестроения, специалистам по ремонту и обслуживанию ДВС, а также всем, кто интересуется современными технологиями газораспределительных механизмов.
Дата добавления: 2026-04-14; просмотров: 95;











