Принципы работы и эволюция сигнализации в проводных телефонных аппаратах
Телефонный аппарат в состоянии ожидания, когда его микротелефонная трубка лежит на рычагах, представляет собой разомкнутую электрическую систему. На Рис. 2.1 представлена принципиальная блок-схема телефонного аппарата, на которой визуализированы все его ключевые функциональные модули. Единственной цепью, постоянно подключенной к линии связи, является цепь вызывного сигнала, также известная как звонковая цепь; ее конструкция обеспечивает возможность приема сигнала о входящем вызове в любое время. Остальные внутренние цепи аппарата, включая передающий и принимающий тракты, гальванически разъединены с линией благодаря разомкнутым контактам рычагового переключателя (S1, S2). В этом состоянии ток через аппарат не протекает, за исключением минимальных токов утечки, обусловленных неидеальностью диэлектрических материалов изоляции; протеканию же постоянного тока через саму звонковую цепь эффективно препятствует включенный последовательно с звонком конденсатор.

Рис. 2.1. Принципиальная блок-схема телефонного аппарата
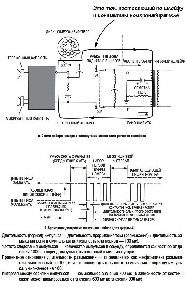
Активация аппарата происходит в момент снятия абонентом микротелефонной трубки с рычагов. Это механическое действие приводит к замыканию контактов рычагового переключателя S1 и S2, что показано на Рис. 2.2а, инициируя тем самым процесс установления соединения. Замыкание контактов замыкает шлейф – постоянную петлю из двух проводов, соединяющую аппарат с автоматической телефонной станцией (АТС). По образовавшейся цепи начинает протекать ток шлейфа, источником которого служит аккумуляторная батарея, установленная на станционном оборудовании. Протекание этого тока по обмотке линейного реле на районной АТС вызывает его срабатывание, что является электрическим сигналом для станции о готовности абонента к набору номера.

Рис. 2.2. Схема формирования импульсов дисковым номеронабирателем
Последовательность процессов на АТС после срабатывания линейного реле является строго детерминированной. Специальное устройство – линейный искатель – начинает сканировать группу линий в поиске той, на которой было зафиксировано изменение состояния тока. Обнаружив активную линию, искатель останавливается и коммутирует ее с оборудованием, ответственным за прием номерной информации. В этот момент к линии абонента подключается генератор сигнала готовности, который посылает в трубку абонента тональный сигнал «ответ станции» (в просторечии – «гудок»), информирующий о возможности начать набор. С этого момента абонент может передавать номер вызываемой станции, используя один из двух основных методов сигнализации: импульсный набор или тональный набор (DTMF).
После получения первой цифры набираемого номера генератор сигнала готовности отключается от абонентской линии, освобождая ресурсы для дальнейшей обработки вызова. Исторически первым и фундаментальным методом набора был импульсный способ, принцип которого был заложен еще в автоматических коммутаторах Строуджера. Данный метод основан на посылке в линию серии импульсов, количество которых соответствует набираемой цифре, путем кратковременных разрывов тока шлейфа; схема формирования таких импульсов типичным дисковым номеронабирателем детально проиллюстрирована на Рис. 2.2.
Эволюция систем коммутации привела к появлению АТС с общим контролем, которые поддерживают более прогрессивный частотный (тональный) набор. Этот метод, известный как DTMF (Dual-Tone Multi-Frequency), осуществляется значительно быстрее и надежнее импульсного, так как каждая цифра кодируется уникальной комбинацией двух синусоидальных сигналов. Кроме скорости, DTMF-сигнализация открыла возможность предоставления абонентам дополнительных сервисных функций, например, интерактивного управления вызовами через коммутатор центра обработки вызовов или сложной маршрутизации вызова по заданным пользователем сценариям.
Таким образом, базовый принцип работы проводного телефона основывается на управлении состоянием шлейфа и модуляции протекающего в нем тока для передачи информации. Несмотря на механическую архаичность первых номеронабирателей, заложенные в них фундаментальные принципы импульсной сигнализации стали основой для последующего развития более сложных и многофункциональных систем тонального набора и интерактивных телекоммуникационных услуг. Современные аппараты часто поддерживают оба режима работы, обеспечивая совместимость как с устаревшими, так и с современными телефонными сетями.
Сведения об авторах и источниках:
Авторы: Бигелоу С.Д., Карр Д.Д., Виндер С..
Источник: Энциклопедия телефонной электроники.
Данные публикации будут полезны студентам и специалистам в области телекоммуникаций и сетевых технологий, инженерам, изучающим принципы передачи данных, а также всем, кто интересуется историей и эволюцией модемной связи и базовыми сетевыми протоколами.
Дата добавления: 2025-10-11; просмотров: 172;











