Электрический автопилот. Стабилизатор курса
Все агрегаты электрического автопилота полностью электрифицированы, и работа их не зависит от высоты полета и температуры. На агрегаты чувствительной части и рулевые машинки надеты электрообогреватели, включающиеся при температуре ниже - 20° С.
Автопилот управляет самолетом и стабилизирует прицел в азимуте при бомбометании. Действие рулей координировано, т. е. при крене отклоняются не только элероны, но и одновременно рули поворота и высоты. Это обеспечивает большую точность стабилизации.
Электрический автопилот обеспечивает три стабилизации самолета. Чувствительный элемент курсовой стабилизации выполнен в виде свободного гироскопа и масляного демпфера, при помощи которого измеряется угловая скорость самолета относительно вертикальной оси '. Чувствительный элемент продольно-поперечной стабилизации представляет собой свободный гироскоп с маятниковой коррекцией.
В комплект электрического автопилота входят:
1. Агрегат курсовой стабилизации.
2. Агрегат продольно-поперечной стабилизации.
3. Рулевые машинки.
4. Пульт управления.
5. Усилитель.
6. Распределительная коробка.
7. Индикатор курса.
Отсутствие механических связей между элементами автопилота значительно облегчает монтаж его.
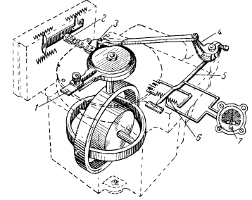
Стабилизатор курса. Кинематическая схема курсовой стабилизации электрического автопилота приведена на фиг. 155.

Фиг. 155. Кинематическая схема курсовой стабилизации электрического автопилота: 1 - арретир; 2 - ползунок потенциометра, 3 - ползунок; 4 - колодка, 5 - тяга; 6 - стрелка, 7 - индикатор летчика
Свободный гироскоп с горизонтальной осью собственного вращения, ротор которого питается постоянным током, вращается со скоростью 7000/8000 об/мин.
С вертикальной осью внешней рамки жестко связана фрикционная муфта с барабаном, поверх которого установлен второй барабан, связанный муфтой с прицелом. С фрикционным барабаном сцепляется кольцо с тремя рычагами: один рычаг связан с ползунками 2 потенциометров управления, второй — с арретиром 1, а третий: соединяет ползунок 3 с индикатором 7.
С левой стороны корпуса курсового стабилизатора укреплена коробка потенциометров управления, в которой расположены: потенциометр управления курсом и сдвоенный потенциометр управления элеронами.
Ползунок 2 управления курсом соединен с колодкой 4, несущей на себе ползунки потенциометров курса и элеронов.
Перемещение ползунка потенциометра пропорционально угловому отклонению самолета от курса и скорости этого отклонения.
Перед включением автопилота ползунок потенциометра курса должен быть в нейтральном положении.
Индикатор 7 летчика представляет собой работающий на постоянном токе гальванометрический прибор, подключенный к потенциометру. Гальванометр измеряет напряжение на участке от средней точки потенциометра до точки контактирования ползунка; величина этого напряжения пропорциональна изменению курсового угла.
Нагрузка на вертикальную ось гироскопического угла силами трения и инерционными силами настолько велика, что требуется компенсация.
С этой целью в конструкцию введено коррекционное приспособление (фиг. 156), выполненное в виде двигателя 1, развивающего момент, знак которого противоположен знаку момента, нагружающего гироскоп. Зубчатое колесо 2, жестко связанное с наружной вертикальной рамкой гироскопа, соединено с помощью промежуточных зубчатых колес со скользящими по своей оси трибками 3 и 4, с которыми жестко связаны два фрикционных диска 5; соосно с дисками расположены два зубчатых колеса 6 с одинаковым числом зубьев.

Фиг. 156. Схема коррекции гироскопа с непрерывным вращением корректирующего двигателя. 1 - двигатель; 2 - зубчатое колесо, 3 и 4 - трибки; 5 - диски, 6 - зубчатые колеса, 7 - щетка, 8 - ламели, 9 - электромагниты
Торцевая сторона этих зубчатых колес, обращенная к фрикционным дискам, имеет пробковое покрытие.
Оба зубчатых колеса 6 приводятся в непрерывное и взаимно противоположное вращение двигателем 1.
На кожухе гироскопа укреплена щетка 7, скользящая по двум парам ламелей 8 при поворотах гироскопа вокруг вертикальной оси.
Каждая внутренняя ламель соединена через сопротивление с обмоткой одного из электромагнитов 9, сцепляющих при включении фрикционные диски с пробковой поверхностью зубчатых колес 6.
Внешние ламели соединены с магнитами 9 непосредственно.
При действии внешнего момента вокруг вертикальной оси внешней рамки ось ротора прецессирует в вертикальной плоскости.
При наклоне ротора в сторону, противоположную указанной стрелкой А, щетка 7 замкнет цепь правого электромагнита, правый диск сцепится с зубчатым колесом 6, фрикционный момент, развиваемый на поверхности диска, наложит момент, прямо противоположный нагрузочному, направление которого указано стрелкой Б.
Если фрикционный момент окажется больше нагрузочного, то ось ротора будет перемещаться в направлении, обратном первоначальному, пока щетка 7 не установится на изоляторе между ламелями, и действие фрикционного момента прекратится. Если фрикционный момент окажется недостаточным, то ось ротора буде наклоняться до тех пор, пока цепь правого электромагнита замкнется уже через верхнюю ламель (без промежуточного сопротивления) вследствие чего сила сцепления на фрикционных дисках, а следовательно, и фрикционный момент возрастут. При неподвижном корпусе агрегата курсовой стабилизации зубчатое колесо 2, трибки 3 а 4 и фрикционные диски 5 неподвижны.
Чувствительный элемент продольно-поперечной стабилизации представляет собой гировертикаль (фиг. 157), питаемую постоянным током напряжением 26 в. Скорость вращения ротора гировертикали 7000/9000 об/мин.

Фиг. 157. Гироскопическая вертикаль. 1 - главная ось; 2 - электродвигатель
Коррекция гировертикали — фрикционно-маятниковая.
При разворотах самолета поперечная коррекция выключается и прецессии гироскопа от действия инерционных сил не будет.
На рамках гироскопа укреплены щетки потенциометров крена и тангажа; потенциометры питаются переменным током от отдельных трансформаторов.
Напряжения от щеток всех потенциометров (курсового стабилизатора, гировертикали) подаются в пульт управления, куда подводятся также напряжения от потенциометров обратной связи рулевых; машинок.
На пульте управления установлено шесть ламп, сигнализирующих о режимах работы автопилота, и переключатель, позволяющий передавать управление самолетом тому или иному члену экипажа. Кроме того, на пульте имеются выключатели для раздельного выключения рулевых машинок.
При выключении питания все рулевые машинки автоматически выключаются — автопилот перестает управлять самолетом.
Дата добавления: 2025-01-15; просмотров: 376;











