Гибридная система в телефонии: принцип работы и схема подключения
Схема подключения микрофона и телефона в трубке. На рис. 2.13 представлена схема соединения, в соответствии с которой в телефонной трубке подключаются микрофон и телефон. На этой же схеме показано упрощенное подключение на районной АТС, где ключевыми элементами являются катушка индуктивности и гибридное соединение. Следует отметить, что исторический термин «катушка индуктивности», сохранившийся с ранних этапов развития телефонии, в данной схеме выполняет функцию, аналогичную той, что реализует более современная гибридная система. Это демонстрирует преемственность технических решений в эволюции средств связи.

Рис. 2.13. Гибридная система в телефонном аппарате и на телефонной станции
Основное назначение гибридной системы. Главной задачей гибридной системы является обеспечение сопряжения двухпроводной линии связи с четырехпроводной схемой для организации полноценной дуплексной связи. В контексте систем связи термин «дуплексный» означает возможность одновременной двусторонней передачи сигналов. Именно гибридная система позволяет осуществить этот переход, обеспечивая одновременную передачу и прием информации без взаимных помех. Это фундаментальное свойство делает разговор естественным и непрерывным, что является основой современной телефонии.
Причины использования двухпроводных и четырехпроводных схем. Двухпроводная схема применяется для подключения миллионов абонентских телефонных аппаратов в первую очередь по причине экономической эффективности такого решения. В то же время четырехпроводная схема соединения, где для прямого и обратного направлений передачи используется отдельная пара проводов, применяется практически во всех остальных цепях линий связи. Физическое разделение передаваемого и принимаемого сигналов в таких цепях необходимо для их качественной обработки, а также для применения электронных усилителей, поддерживающих требуемый уровень сигналов на протяжении всего канала передачи.
Применение гибридной системы на АТС. Гибридная система активно используется на районной АТС для выполнения критически важной функции – сопряжения местной двухпроводной абонентской линии с магистральной четырехпроводной линией. Кроме этого, подобные системы применялись для коммутации между некоторыми магистральными линиями на ряде устаревших АТС, где была возможна работа только с двухпроводными линиями связи. Таким образом, гибрид служит универсальным мостом между различными типами линий, обеспечивая совместимость оборудования и бесперебойную работу всей сети.
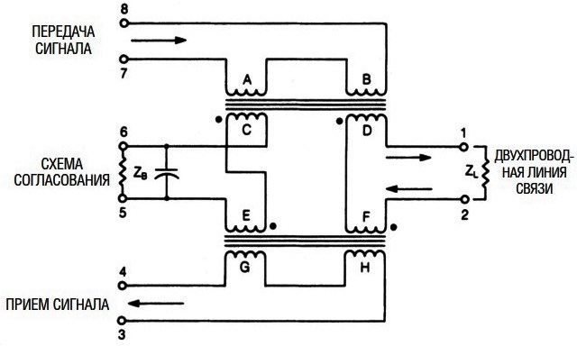
Четырехпроводная система в телефонной трубке. Стоит отметить, что сама телефонная трубка по своей сути также представляет четырехпроводную систему. В ней одна пара проводов используется для подключения микрофона (передача), а вторая – для подключения телефона (прием). Этот принцип наглядно продемонстрирован на схемах, приведенных на рис. 2.11 и рис. 2.13. Несколько измененная и более наглядная версия этой схемы представлена на рис. 2.14, которая специально иллюстрирует гибридную систему включения.

Рис. 2.14. Гибридная система включения
Эволюция терминологии и схемотехники. Однако важно понимать, что реальные цепи телефонного аппарата эволюционировали в первую очередь для решения проблемы подавления местного эффекта (проникновения сигнала собственного микрофона в наушник), а не непосредственно из-за задачи создания гибридных систем. Именно по этой исторической причине для описания схемы в телефонном аппарате до сих пор часто используется термин «катушка индуктивности». Фактически, все соединения, изображенные на рис. 2.13, являются несколько более сложными по своей структуре и функциям, чем классическая гибридная система перехода, представленная на рис. 2.14.
Сведения об авторах и источниках:
Авторы: Бигелоу С.Д., Карр Д.Д., Виндер С..
Источник: Энциклопедия телефонной электроники.
Данные публикации будут полезны студентам и специалистам в области телекоммуникаций и сетевых технологий, инженерам, изучающим принципы передачи данных, а также всем, кто интересуется историей и эволюцией модемной связи и базовыми сетевыми протоколами.
Дата добавления: 2025-10-11; просмотров: 185;











