Факс-модем для ПК: принципы работы и интеграция
Компьютеризация факсимильной связи. Широкое распространение персональных компьютеров создало потребность в интеграции функций факсимильной связи непосредственно в компьютерную среду. Новое поколение устройств было разработано для прямой передачи и приема текстовых и графических файлов между компьютером и удаленным факс-аппаратом или другим компьютером. Ключевым преимуществом такого «компьютерного факс-аппарата» стало отсутствие необходимости в механических компонентах – построчном сканере и термопечатающем устройстве. Однако обязательным элементом стала специальная компьютерная программа, способная трансформировать текст и графику в формат, пригодный для передачи по факсимильным протоколам, и выполнять обратное преобразование принятых данных в изображение на мониторе.
Техническая реализация компьютерного факса. Для практической реализации этой технологии были разработаны специализированные программное обеспечение и аппаратные компоненты. Последние выполнялись в форме единой платы (expansion card), устанавливаемой в слоты расширения материнской платы персонального компьютера. Сердцем таких решений является факс-модем, выполняющий ключевую функцию преобразования цифровых данных файла в аналоговый сигнал для телефонной линии и обратной конвертации принимаемого сигнала. Примером специализированного решения служит интегральная микросхема SSI 73D2291/2292 от компании Silicon Systems Incorporated, предназначенная для использования в ПК, ноутбуках и портативных факс-системах.
Архитектура и интерфейсы факс-модема. Блок-схема микросхемы SSI 73D2291/2292, приведенная на Рис. 9.23, демонстрирует ее внутреннюю структуру. Связь с хост-компьютером осуществляется через встроенный последовательный порт RS-232. Важной особенностью данной микросхемы является функция автоматической настройки скорости передачи данных в соответствии со скоростью компьютера и параметрами удаленного факс-аппарата. Управление осуществляется высокоуровневыми командами от компьютера, которые контролируют процессы набора номера, ответа на вызов, громкости встроенного спикерфона, а также параметры связи: синхронный или асинхронный режим, конфигурацию стартовых и стоповых битов, выбор тонального или импульсного набора.

Рис. 9.23. Блок-схема интегральной микросхемы SSI 73D2291/2292
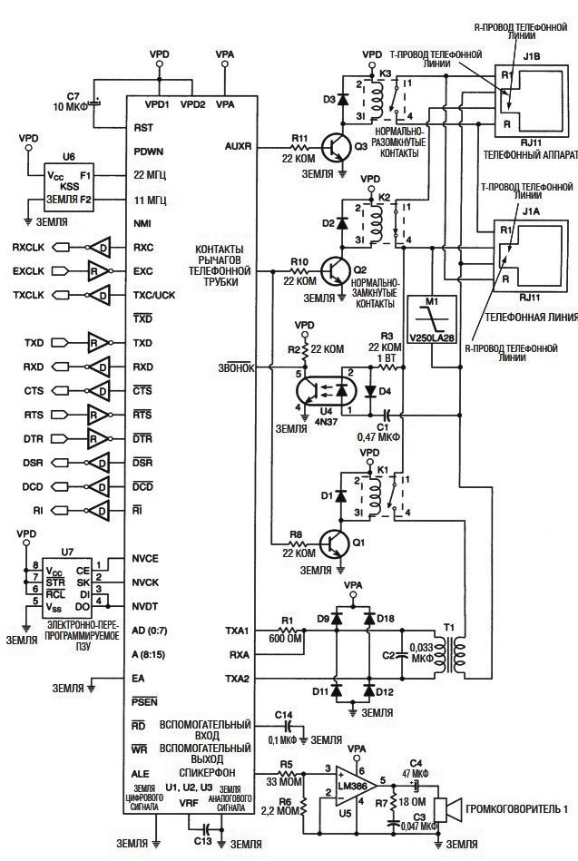
Полная схема подключения и обработки данных. Полная структурная схема факс-аппарата на базе персонального компьютера с использованием микросхемы SSI 73D2291/2292 показана на Рис. 9.24. Для ее работы необходим блок универсального асинхронного приемопередатчика (UART), ответственный за преобразование параллельного потока данных от процессора в последовательный для передачи. Обязательным компонентом является программное обеспечение, которое управляет сжатием и распаковкой данных, мультиплексированием факс-сообщений, а также выводом информации на монитор и принтер. Дополнительно может использоваться энергонезависимая память для хранения идентификационных данных аппарата и пользовательских настроек.

Рис. 9.24. Факс-модем на базе интегральной микросхемы SSI 73D2291/2292
Протоколы передачи и коррекция ошибок. Для обозначения границ кадров передаваемых данных в факс-модеме SSI 73D2291/2292 применяется высокоуровневый протокол управления каналом передачи данных (HDLC). Этот протокол также поддерживает функцию обнаружения и коррекции ошибок путем добавления контрольной суммы (Frame Check Sequence) в передаваемый поток данных. Рабочие последовательности факс-модемов принципиально похожи на стандартные модемные, однако отличаются значительной сложностью, обусловленной необходимостью преобразования форматов файлов и применения специализированных алгоритмов сжатия изображений для факсимильной связи, таких как модифицированные коды Хаффмана.
Сведения об авторах и источниках:
Авторы: Бигелоу С.Д., Карр Д.Д., Виндер С..
Источник: Энциклопедия телефонной электроники.
Данные публикации будут полезны студентам и специалистам в области телекоммуникаций и сетевых технологий, инженерам, изучающим принципы передачи данных, а также всем, кто интересуется историей и эволюцией модемной связи и базовыми сетевыми протоколами.
Дата добавления: 2025-10-11; просмотров: 166;











