Вращающаяся лопатка. Измеритель с наклонным пропеллером. Обходной измеритель
Вращающаяся лопатка. Этот тип измерителя работает по принципу, при котором поступающая жидкость направляется тангенциально на периферию свободно вращающегося ротора. Вращение контролируется с помощью магнитного или фотоэлектрического датчика, при этом частота выходного сигнала пропорциональна скорости потока. Альтернативно, вращение может регистрироваться механическим счетчиком, соединенным через зубчатую передачу с роторным узлом, как показано на рисунке 1.22.
Точность зависит от калибровки, и может быть достигнуто соотношение диапазонов измерения до 20:1. Это устройство особенно подходит для измерения низких расходов.

Рис. 1.22. Измеритель с вращающейся лопаткой
Измеритель с наклонным пропеллером. Расходомер с пропеллером состоит из корпуса Y-типа, где все компоненты, кроме пропеллера, находятся вне потока жидкости. Конструкция этого типа измерителя показана на рисунке 1.23.
Пропеллер имеет три лопасти и спроектирован так, чтобы обеспечить максимальный зазор в измерительной камере, что позволяет достичь высокой устойчивости к взвешенным частицам. Корпус пропеллера наклонен под углом 45° к основному потоку, и жидкость, проходящая через измеритель, вращает его со скоростью, пропорциональной скорости потока. При каждом обороте пропеллера встроенные магниты генерируют импульсы через датчик, количество которых пропорционально расходу.
Обходной измеритель. В этом типе измерителя (также известном как шунтовый измеритель) часть жидкости отводится от основного потока с помощью диафрагмы в обходную конфигурацию. Жидкость концентрируется через сопла и воздействует на лопатки небольшой турбины, расположенной в обходном канале. Вращение турбины пропорционально скорости потока.
Это устройство может обеспечивать умеренную точность при соотношении диапазонов измерения 5:1 и подходит для жидкостей, газов и пара. Обходные измерители использовались вместе с другими шунтовыми устройствами, включая расходомеры с эффектом Коанды, ротаметры, ультразвуковые расходомеры, объемные счетчики и многоканальные измерители.
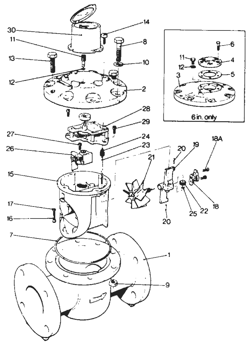
Винтовой измеритель. В этом типе измерителя измерительный элемент выполнен в виде винтовой лопатки, установленной в центре измерительной камеры с осью вдоль направления потока, как показано на рисунке 1.24. Лопатка состоит из полого цилиндра с точно сформированными крыльями. Благодаря эффекту плавучести жидкости на цилиндр, трение между его осью и подшипниками незначительно. Вода равномерно направляется на лопатки с помощью направляющих.

Рис. 1.24. Винтовой измеритель, вид в разрезе. 1. Корпус. 2. Верхняя крышка с регулировочной пробкой и уплотнительным кольцом. 3. Верхняя крышка. 4. Соединительная пластина. 5. Прокладка соединительной пластины. 6. Винты соединительной пластины. 7. Уплотнительное кольцо верхней крышки. 8. Болт корпуса. 9. Узел болта корпуса. 10. Шайба болта корпуса. 11. Регулировочная пробка. 12. Уплотнительное кольцо регулировочной пробки. 13. Винт разъединения.
14. Винт коробки счетчика. 15. Измерительный элемент. 16. Винт крепления элемента. 17. Шайба винта крепления элемента. 18. Узел заднего подшипника. 19. Задняя опора лопатки. 20. Трубчатый штифт. 21. Лопатка. 22. Червячное колесо. 23. Вертикальный червячный вал. 24. Первая шестерня. 25. Приводной зажим. 26. Узел регулятора. 27. Винт узла регулятора. 28. Нижняя шестерня. 29. Винт крепления нижней шестерни. 30. Счетчик
Передача вращения от нижней шестерни к счетчику осуществляется с помощью керамической магнитной муфты. Корпус измерителя выполнен из чугуна, а механизм и крышка корпуса — из термопластика, полученного методом литья под давлением. Измеритель вызывает лишь незначительные потери напора в процессе работы и подходит для использования в магистралях водораспределения. Он доступен в размерах от 40 мм до 300 мм, с максимальными расходами от 24 м³/ч до 1540 м³/ч и точностью ±2% при соотношении диапазонов измерения 20:1.
Дата добавления: 2025-02-01; просмотров: 277;











